Шайба радиусные ОСТ 1 11494, 11495, 11496, 11497, 11498, 11499-74
|
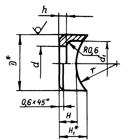
Изготавливаем по заявкам радиусные шайбы для конических болтов. Шайбы предназначены для крепежа с наружной цилиндрической поверхностью. Шайбы изготовлены строго по стандартам ОСТ 1 11494-74, ОСТ 1 11495-74, ОСТ 1 11496-74, ОСТ 1 11497-74, ОСТ 1 11498-74, ОСТ 1 11499-74. Являются заменой нормалям 1273С50, 1274С50, 1605С50, 1272С50, 1603С50, 1604С50.
Моб. +7(950)848-55-19 Раб. +7(991)086-37-37 https://rskrepeg.ru rsk_161@mail.ru радиусная шайба, радиусные шайбы купить, ост 1 11497 74, ОСТ 1 11494-74, ОСТ 1 11495-74, ОСТ 1 11496-74, ОСТ 1 11497-74, ОСТ 1 11498-74, ОСТ 1 11499-74, шайба для конических болтов, 1273С50, 1274С50, 1605С50, 1272С50, 1603С50, 1604С50
|
|||
Не нашли нужного предложения?
Оставьте заявку для всех участников торговой площадки.
24000 организации, Ваша контактная информация доступна только зарегистрированным пользователям.
Оставьте заявку для всех участников торговой площадки.
24000 организации, Ваша контактная информация доступна только зарегистрированным пользователям.

